風冷式冷水機特點壓縮機高低壓保護,內過熱保護低水流警報裝置,低水溫防水警報采用歐美日進口壓縮機制冷系統焊接口采用無氧焊接法,減少氧化物,表面光滑節流部件采用丹麥丹弗斯,美國艾柯水箱采用SUS304不銹鋼避免腐蝕漏水RS485通訊功能,實現自動化管理(選購)采用不銹鋼板式,盤管式,殼管式,翅片式高效換熱器電
壓縮機高低壓保護,內過熱保護
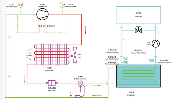
低水流警報裝置,低水溫防水警報
采用歐美日進口壓縮機
制冷系統焊接口采用無氧焊接法,減少氧化物,表面光滑
節流部件采用丹麥丹弗斯,美國艾柯
水箱采用SUS304不銹鋼避免腐蝕漏水
RS485通訊功能,實現自動化管理(選購)
采用不銹鋼板式,盤管式,殼管式,翅片式高效換熱器
電器采用OMRON.FUJI.TE.LG.MOELLER.SCHEIDER
控制方式:采用進口微電腦人機界面和PLC控制(選購)
安全保護完善,故障顯示、維修、保養無需專業人員
高效率之蒸發器及冷凝器,可節省能源30%以上
JY-10WD以上采用兩組壓縮機頭,可單獨或共同使用
1、電源欠相和相序保護
2、總漏電保護開關
3、泵反轉保護
4、泵過載保護
5、溫度過高保護
6、管道堵塞BY-PASS洩壓回路
7、溫度異常保護
8、異常警報蜂鳴器
9、缺媒體保護
10、接觸器卡死保護
11、壓力檢測(壓力異常停止加熱)





了解價格?產量?型號?售后?請留言,我們第一時間為您回復
留言咨詢(30秒急速提交)
等待回訪(30分鐘內快速回復)
免費定制(根據需求免費定制流程方案)
答:在本文中,您將了解什么是競爭環境分析,為什么它是必要的,以及如何進行競爭環境分析。自行車比賽是世界上最負盛名的比賽之一?!ぁぁ?/p>
答:你想進行競爭分析,以更好地了解競爭對手,推出新產品,甚至獲得更多關于營銷策略的想法嗎?讓我們看看你該怎么做!你開始了一個···
答:網站是您企業營銷和銷售成功的重要組成部分,但您如何開始,如何構建符合您的營銷和業務目標的網站戰略?每個人都知道網站對商業···
答:營銷的形式正在改變。如果最初我們信任廣告,現在我們信任談論不同類型產品的影響者。這些天,有影響力的人越來越受歡迎,因為人···
答:一個精心調整的營銷策略可以讓你的品牌獲得成功。盡管制定營銷策略的原則保持不變,但僅在2022年,我們就看到了向不同類型內容的···